Al crear una cuenta en francobordo.com podrás realizar tus compras rápidamente en nuestra tienda virtual, revisar el estado de tus pedidos y consultar tus operaciones anteriores.
¡Adelante! Te estabamos esperando.
Regístrate y aprovecha los descuentos y ventajas de ser Profesional de la Náutica
Únete ya a los mas de de 500 Profesionales de la Náutica
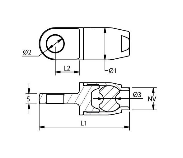
Rope Eye
Fabricadas en acero inoxidable de alta calidad, estos terminales ofrecen gran variedad de posibilidades con cabo de Dyneema de 4 a 10 mm.
| Ref | Cabo mm | L1 mm | L2 mm | Dia.1 mm | Dia.2 mm | Dia.3 mm | S mm | NV mm | Carga Kg |
| RP820804 | 4 mm | 45.0 | 12.0 | 16.0 | 8.5 | 6.0 | 5.0 | 11 | 1900 |
| RP821005 | 5mm | 58.5 | 14.5 | 21.0 | 10.5 | 8.0 | 6.0 | 16 | 3200 |
| RP821206 | 6mm | 71.0 | 17.5 | 25.0 | 13.0 | 10.0 | 9.0 | 19 | 5500 |
| RP821408 | 8mm | 103.5 | 29.5 | 39.0 | 14.5 | 16.0 | 10.0 | 29 | 9400 |
| RP821610 | 10mm | 120.0 | 34.0 | 45.0 | 16.2 | 18.0 | 13.0 | 33 | 15000 |






